欢迎访问广州市黄埔区湘潭电机修理厂网站!

官方公众号

欢迎扫码咨询

全国拨打热线
13609778909,020-82250856

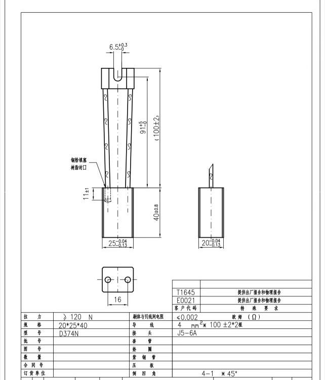
D374NCarbon brush D374N DC motor carbon brush D374N Carbon brush for dc motor

发布时间:2023-10-18  来源:  分享到:

Name:
Carbon Brush
Material:
Carbon block+cooper
Feature:
Fine workmanship long service life
Price:
We will provide a reasonable and competitive price according to your drawings
Payment:
T/T 30% DEPOSIT
Packing:
COLOR BOX WITH MASTER CARTON or BY BUYER'S PURPOSE














相关推荐
13609778909,020-82250856